Warning! Some of the information below has been superseded by new information.
What’s old is new again. Circa 1997. The Hayes 22mm caliper mount. Believe it or not, this is what changed mountain bike braking forever and truly brought disc brakes to every day mountain bikes. Back in ’97 or ’98, I bought a bike with these brakes on it. I was the first in my crew to do so. Very shortly after, we did a big rain ride. I got to the bottom of a long and rowdy trail, well ahead of everyone else, feeling good and on a solid bike. Then, after a while, they showed up with their v-brakes; hands sore, brake pads roached and ground down, They were suddenly slow. Rim brakes were #over.


Less than a week ago, flat mount 160/180 specs have been ‘published’ though that doesn’t mean that I or anyone I know will be using these numbers. Assuming that SRAM and Shimano get on board, then it’s settled. Until then, it’s not. Most importantly, they wont, it’s wrong.
This seems to have been a marketing stunt published by Mark Landsaat of the new Noble Bikes effort. His history is largely with Raleigh bikes, a company that has made many mistakes with brake adoption recently. Supposedly, Magura and Tektro have looked at this but I’m still looking for some kind of confirmation on this.
The specification is simply, wrong. The numbers that Landsaat posted aren’t correct, even remotely, if any investigation on them is done.
The big mistake that many people are making when looking at this issue is using the FM140 to FM160 flat mount adapters to base their numbers on. You should not be using adapters to make this measurement. These adapters are rough problem solvers, not standards. A setup may “work” but not be correct with an adapter, and this is very often true. Flat mount adapters are designed for overlapping screws to have space, to look good, keep clearances, and to basically function. They most certainly are not a valid reference.
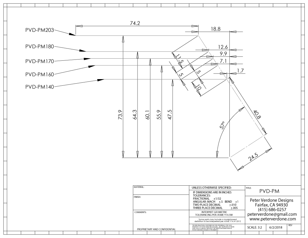
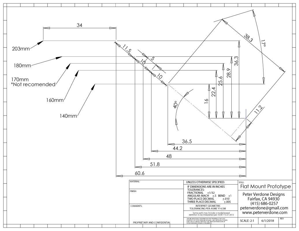
Below, I’m in the process of defining the specifications for the various Flat Mount placements. I’ve spent considerable time looking at this subject. A lot of time was wasted looking at the engineering of flat mount calipers rather than what is so important in the shop and to the end user, interchange between flat mount and post mount calipers. Bikes uses change over time and a light and lean flat land bike that can get away with very light calipers may move to the mountains and suddenly need large pads and four pot calipers. It’s up to the designer to ensure that the end use of the bike, however it is used, is taken care of. So, it’s pretty simple to see that a bike originally designed as a heavy all-road bike get’s used as a fully loaded tourer in the alps or a ultra lean Downiville racer.
The point here is that with any given position, a flat mount to post mount adapter (FM140 to PM140) is used to interchange between either caliper choice. Shimano defines this transition with a 17 degree angel. More, a FM140 to PM160 adapter is used to jump to the next size rotor over a given construction. So, a bike with a FM160 mount can be used as FM180 or PM180 with an existing adapter.
To make this work, the post mount standard needed some repair. We often don’t start with standards. We start with a solution to one problem. Then new features are added. Post mount started with Manitou’s special mount at a time when most other manufacturers (except Boxxer) were using IS160. Post mount was established but the Manitou mount didn’t fit within a standardized system. Thus, PM160 is leftover from this early development and the other sizes, PM140, PM180, and PM203 fit into a 57 degree track offset 24.45mm from center. To make this flat mount transition work, I correct the PM160 position to conform with the others. This is just a 0.34mm shift, not much. This should have been done a long time ago but that’s how things go.
This is all still in development. The numbers may change slightly. Still, this is a consistent and correct construction. It may change slightly as time goes by and more details get figured out, keep cautious!
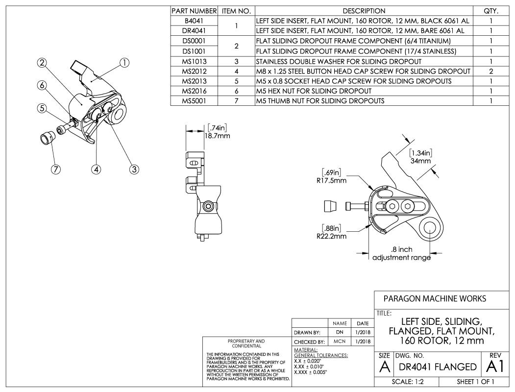
Mark at Paragon Machine Works has gone a similar route to others and reverse engineered from the rear FM160 adapter for 18.77mm offset and 46.36 first hole. This can be seen on parts like the PMW B4041 Slider mount.
Jeff at Sputnik Tool is already at work making tools for frambuilders to go with FM160 and FM180!
Adding more confusion to this, a Whyte S-150s that I have in my basement has 160 flat mount rear caliper mount at a 19.25mm face offset. This doesn’t agree with Landsaat’s figures or what I’ve reverse engineered from SRAM. I spoke with the designer for the Whyte system and know what they did for their mount and that it is considered 100% proprietary dimentionally.
The real problem now is quality brake pads and calipers for use with this mount. Flat land XC riders are fine with what’s available. Gravel/road folks don’t need anything over 140mm rotors anyway. Where’s the beef?
So far, the only real caliper capable of being used in duties over XC is the Hope RX4. SR (SRAM) and SH (Shimano) designated the system that they are designed for. What’s cool here is that they are making a specific front FM caliper to do away with adapters. Cool and clean.
With SRAM, Level levers are interchangeable with the drop bar levers so that should be proper to start but the Guide lever should be tested.




















